Москва
Ваш город Москва
Время работы
Ежедневно: с 10 до 21
ул.Складочная д.1, стр.9
Встраиваемая техника
Крупная бытовая техника
Мелкая кухонная техника
Вытяжки
Сантехника для кухни
Товары для дома
Аксессуары
Авто холодильники
Посуда
Телевизоры
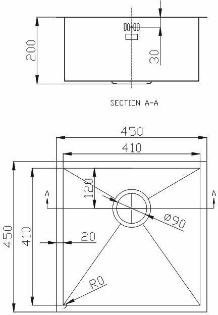
Кухонная мойка Emar EMB-101 Satine
Артикул:
5378017
0 отзывов
24 785 руб.
нет в наличии
Рассрочка/кредит
Картой/наличными
Оплата по QR
Доставка:
Самовывоз:
Рейтинг магазина:
Характеристики
Ширина
45
Материал корпуса
нержавеющая сталь
Глубина
45
Форма мойки
квадратная
Ширина, м
48.00
Высота, м
24.50
Глубина, м
48.00
Вес нетто, кг
6.600
Цвет
нержавеющая сталь
Страна производитель
---
Количество чаш
1
Мойка с крылом
нет
Вид монтажа (установка)
врезной, подстольный, вровень со столешницей
Ширина мебельной базы
60
Скрытый перелив
нет
Оборачиваемая
нет
Гарантия
60
Заинтересовал определенный товар?
Свяжись с нами, заполнив форму. Мы перезвоним тебе и все обсудим!